Problemlösare
Produkter som löser dina problem i arbetet
Problemlösare
Plockmagnet teleskopisk (1,4kg) med ritsnål, 160-665mm
Art.nr: 792507
RIMAC SPEED Induktionsvärmare 1,5kw
Art.nr: 381500
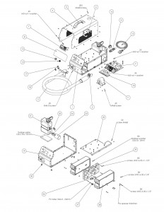
RIMAC BASIC Inductor 3,5kW
Art.nr: 383510
RIMAC FORCE Inductor 4,5kW
Art.nr: 384500
Ballongfyllare (Helium)
Art.nr: 718732